
智慧电力电流传感器
开合式霍尔电流传感器/变送器0-1000A 原边额定电流: 50A;100A;200A;500A;800A;1000A;用户指定 输入量程说明: 交流输入可做到0~1000A, 直流输入可做到0~1200A; 额定输出: 1V;5V;DC0~20mA;DC4~20mA;RS4
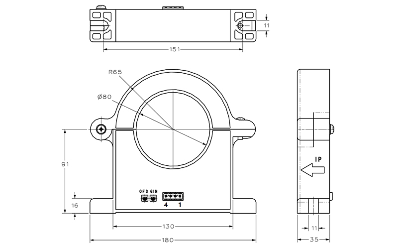
开合式霍尔电流传感器/变送器0-1000A
原边额定电流: 50A;100A;200A;500A;800A;1000A;用户指定
输入量程说明: 交流输入可做到0~1000A, 直流输入可做到0~1200A;
额定输出: 1V;5V;DC0~20mA;DC4~20mA;RS485(跟踪输出,平均值输出,真有效值输出)
辅助电源 : DC5V,DC12V ,DC24V ,DC±5V,DC±12V ,DC±15V;DC3.3V
穿孔孔径 : ¢25 mm
负载能力 : 电压输出:5mA;电流输出:6V
线性度 :0.5%
准确度 :1.0
隔离耐压 :3kV/50Hz,1Min
失调电压 :≤20Mv
温度漂移 :≤0.1%/℃
频带宽度 : DC~20KHz
di/dt跟随 : >50A/uS
消耗电流 : ≤25mA
响应时间 : <20uS(跟踪输出); <250mS(平均值输出,真有效值输出)
工作温度 : -10℃~+70℃
储存温度 : -25℃~+85℃
安装方式 :平面螺钉固定

工作原理 :开环 直测式
产品用途 :用于测量直流﹑交流﹑脉冲电流及其它器任意波形电流
产品优势 :最佳的性能/价格比,耗电损,体积小,重量轻,安装简便,
穿孔输入,无插入损耗
产品应用:变频调速系统,电焊机,电化学,电源监控,电力机车,电机启动保护
RS485接口输出
一、 物理接口:
串行通信采用RS485。
传输方式为半双工异步方式,起始位1位,数据位8位,停止位1位,无校验。
数据传输速率默认9600bps(可修改)。使用MODBUS通信协议中的RTU模式。
地址出厂默认为0x01、波特率默认9600bps。
二、读所有数据命令举例:
COMMAND(下传命令):
0x01 0x03 0x00 0x56 0x00 0x01 0x64 0x1A
RETURN(返回信息):
0x01 0x03 0x02 0x24 0xF6 0x23 0x02
从设备地址 功能码 寄存器个数 A/D-H A/D-L CRC-L CRC-H
说明:A/D-H=0x24,A/D-L=0xF6合成为十六进制=0x24F6返回数据计算:IZ=I/1000;I代表返回的数据值;如返回数据为0x24F6=9462(十进制),则实际电流IZ=9462/1000=9.462mA(此为漏电流传感器计算,不同机型具体以输入输出对照表为准)。
三、修改地址命令举例:(地址由原来的01变为02)
COMMAND(下传命令):
0x01 0x10 0x00 0x57 0x00 0x01 0x02 0x00 0x02 0x2A 0x76
ADD1 ADD2 CRC-L CRC-H
RETURN(返回信息):
0x02 0x10 0x00 0x57 0x00 0x01 0xB0 0x2A
说明:以上命令ADD1为原来传感器的编号,ADD2是新改的传感器支路编号。
当地址为ADD1=0xFA时是广播命令,则不管RS485总线上的漏电流传感器地址是多少,本命令一律将地址改为ADD2;出厂默认地址0x01。
四、修改波特率命令举例:(将波特率改为4800bps)
COMMAND(下传命令):
0x01 0x10 0x00 0x20 0x00 0x01 0x02 0x00 0x05 0x61 0x33
从设备地址 写入波特率代码 CRC-L CRC-H
说明:波特率代码设置:03—1200bps 04—2400bps 05—4800bps 06--9600bps 07—19200bps;修改波特率时,可能返回不规则代码,不用在意,按修改后对应的波特率通信即可;出厂默认波特率9600bps。
传感器可通过RS485/RS232转换器与计算机连接,用串口调试助手与其通信,检测传感器是否正常。
使用RTU模式,消息发送至少要以3.5个字符时间的停顿间隔开始。在网络波特率下多样的字符时间,这是最容易实现的(如下图的 T1-T2-T3-T4 所示)。传输的第一个域是设备地址。可以使用的传输字符是十六进制的0...9.A...F。网络设备不断侦测网络总线,包括停顿间隔时间内。当第一个域(地址域)接收到,每个设备都进行解码以判断是否发往自己的。
在最后一个传输字符之后,一个至少 3.5 个字符时间的停顿标定了消息的结束。一个新的消息可在此停顿后开始。
整个消息帧必须作为一连续的流转输。如果在帧完成之前有超过 1.5 个字符时间的停顿时间,接收设备将刷新不完整的消息并假定下一字节是一个新消息的地址域。同样地,如果一个新消息在小于3.5 个字符时间内接着前个消息开始,接收的设备将认为它是前一消息的延续。这将导致一个错误,因为在最后的CRC域的值不可能是正确的。一典型的消息帧如下所示:起始位
设备地址功能代码
数据
校验结束符
T1-T2-T3-T48Bit8Bit n 个 8Bit CRC
16Bit T1-T2-T3-T4
